Suchbegriff
Einleitung
Wir über uns
Allgemeine Grundlagen
Einfuehrung
Technisches Konzept der Stahlzargen
charakteristische Merkmale
Gehrungsverbindung
Zargenetikett
Profilschluessel
Wichtige Hinweise
Wichtige Hinweise
Das sollten Sie wissen I
Das sollten Sie wissen II
Das sollten Sie wissen III
DIN 18111
Baurichtmasse
Abkuerzungen
Bezugspunkte, Toleranzen
Bezugspunkte senkrechter Schnitt
Bezugspunkte waagerechter Schnitt
Schlosssitz Mauerwerk
Schlosssitz MSK Staenderwerk
Tuerblatt mit Aufdeckdichtung
Schlossbereich
Schlossbereich Sicherheitsschloss EffEff 809
Schlossbereich GEZE IQ Lock EL
Basisskizze fuer gefaelzte Tuerblaetter
Basisskizze fuer ungefaelzte Tuerblaetter
Basisskizze Profil fuer Tuerblaetter
Basisskizze Profil fuer Doppelfalztuerblaetter
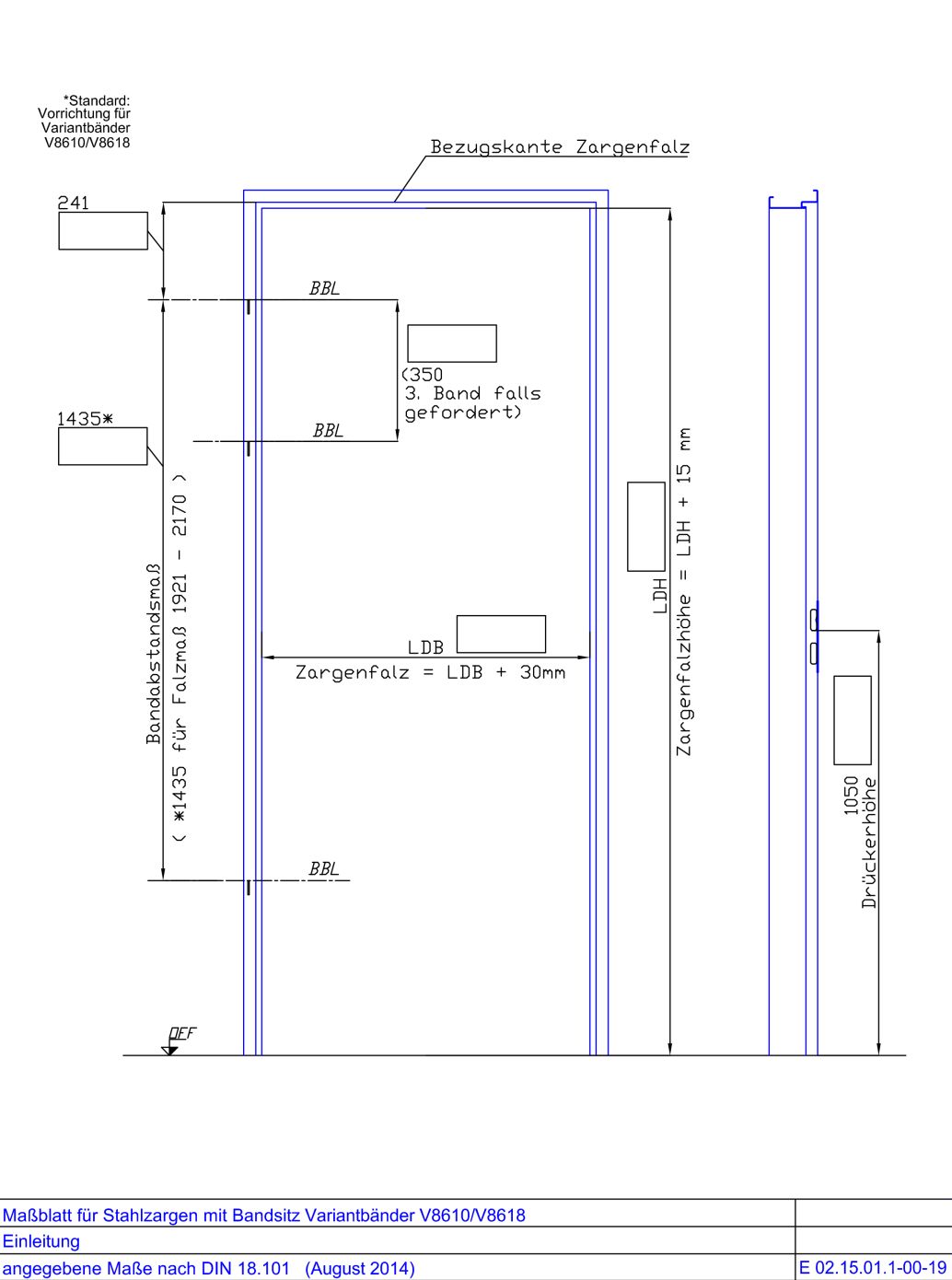
Massblatt Bandsitz V8610 V8618
Massblatt Bandsitz VS BD
Massblatt Bandsitz BUK 3D
Ausschreibungstexte
Ausschreibungstexte
Ausschreibungstexte
Ausschreibungstexte
Ausschreibungstexte
Ausschreibungstexte
Ausschreibungstexte
Mauerwerk
Ständerwerk
Einbaurichtlinien + Montageanleitungen
Werkstoffe für Zargen
Beschichtungen
Dichtungen
Bandunterkonstruktionen
Mauerwerkszargen
Norm-Profile
Eckzargen
Umfassungszargen
Schiebtürzargen
Mehrteilige Zargen
Oberlicht- Seitenteilzargen
Fensterzargen
Anker- Befestigungssysteme
Brandschutzfenster
Ständerwerk
Norm-Profile
Eckzargen
Umfassungszargen
Schiebetürzargen
Mehrteilige Zargen
Oberlicht- Seitenteilzargen
Fenster
Anker- Befestigungssysteme
Brandschutzfenster
Anhang
Schwellen
Obentürschliesser
Schlossbereich
E-Oeffner - Fluchttüroeffner
Magnetkontakte
Riegelschaltkontakte
Kabelübergänge
Mehrfachverriegelungen
BSS - Sperrelemente - Türspaltsicherung
Kippfenster - Schiebefenster
Montagevideos
Mauerwerkszargen einteilig
Mauerwerkszargen zweiteilig
Ständerwerkszargen einteilig
Ständerwerkszargen zweiteilig
Bestellformulare
Startseite
Einleitung
Allgemeine Grundlagen
Massblatt Bandsitz V8610 V8618
Wir über uns
Allgemeine Grundlagen
Einfuehrung
Technisches Konzept der Stahlzargen
charakteristische Merkmale
Gehrungsverbindung
Zargenetikett
Profilschluessel
Wichtige Hinweise
Wichtige Hinweise
Das sollten Sie wissen I
Das sollten Sie wissen II
Das sollten Sie wissen III
DIN 18111
Baurichtmasse
Abkuerzungen
Bezugspunkte, Toleranzen
Bezugspunkte senkrechter Schnitt
Bezugspunkte waagerechter Schnitt
Schlosssitz Mauerwerk
Schlosssitz MSK Staenderwerk
Tuerblatt mit Aufdeckdichtung
Schlossbereich
Schlossbereich Sicherheitsschloss EffEff 809
Schlossbereich GEZE IQ Lock EL
Basisskizze fuer gefaelzte Tuerblaetter
Basisskizze fuer ungefaelzte Tuerblaetter
Basisskizze Profil fuer Tuerblaetter
Basisskizze Profil fuer Doppelfalztuerblaetter
Massblatt Bandsitz V8610 V8618
Massblatt Bandsitz VS BD
Massblatt Bandsitz BUK 3D
Ausschreibungstexte
Einbaurichtlinien + Montageanleitungen
Werkstoffe für Zargen
Beschichtungen
Dichtungen
Bandunterkonstruktionen
PDF Download
Copyright 2013-2024 Novoferm Vertriebs GmbH