Suchbegriff
Einleitung
Wir über uns
Allgemeine Grundlagen
Einbaurichtlinien + Montageanleitungen
Werkstoffe für Zargen
Beschichtungen
Dichtungen
Bandunterkonstruktionen
Mauerwerkszargen
Norm-Profile
Eckzargen
Umfassungszargen
Schiebtürzargen
Mehrteilige Zargen
Oberlicht- Seitenteilzargen
Fensterzargen
Anker- Befestigungssysteme
Brandschutzfenster
Ständerwerk
Norm-Profile
Norm - Profile
Buegelanker fuer Einfachbeplankung 23-0045
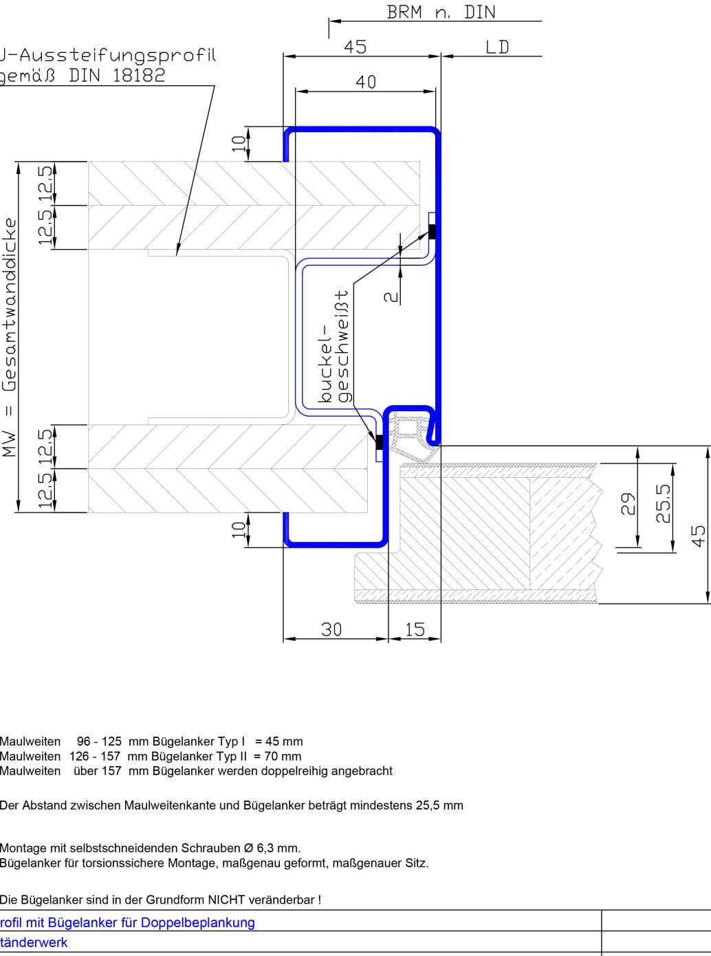
Buegelanker fuer Doppelbeplankung 23-0045
Normzargen im Profil 23-0045
Normzarge im Profil 23-1645
Normzargen im Profil 23-0045 und 23-1645
Eckzargen
Umfassungszargen
Schiebetürzargen
Mehrteilige Zargen
Oberlicht- Seitenteilzargen
Fenster
Anker- Befestigungssysteme
Brandschutzfenster
Anhang
Schwellen
Obentürschliesser
Schlossbereich
E-Oeffner - Fluchttüroeffner
Magnetkontakte
Riegelschaltkontakte
Kabelübergänge
Mehrfachverriegelungen
BSS - Sperrelemente - Türspaltsicherung
Kippfenster - Schiebefenster
Montagevideos
Mauerwerkszargen einteilig
Mauerwerkszargen zweiteilig
Ständerwerkszargen einteilig
Ständerwerkszargen zweiteilig
Bestellformulare
Startseite
Ständerwerk
Norm-Profile
Buegelanker fuer Doppelbeplankung 23-0045
Norm-Profile
Norm - Profile
Buegelanker fuer Einfachbeplankung 23-0045
Buegelanker fuer Doppelbeplankung 23-0045
Normzargen im Profil 23-0045
Normzarge im Profil 23-1645
Normzargen im Profil 23-0045 und 23-1645
Eckzargen
Umfassungszargen
Schiebetürzargen
Mehrteilige Zargen
Oberlicht- Seitenteilzargen
Fenster
Anker- Befestigungssysteme
Brandschutzfenster
PDF Download
Copyright 2013-2024 Novoferm Vertriebs GmbH