Suchbegriff
Einleitung
Wir über uns
Allgemeine Grundlagen
Einbaurichtlinien + Montageanleitungen
Werkstoffe für Zargen
Beschichtungen
Dichtungen
Bandunterkonstruktionen
Mauerwerkszargen
Norm-Profile
Eckzargen
Umfassungszargen
Schiebtürzargen
Mehrteilige Zargen
Oberlicht- Seitenteilzargen
Fensterzargen
Anker- Befestigungssysteme
Brandschutzfenster
Ständerwerk
Norm-Profile
Eckzargen
Umfassungszargen
Schiebetürzargen
Mehrteilige Zargen
Oberlicht- Seitenteilzargen
Fenster
Profil 23-0045 mit verz. Glasleisten
Profil 23-0045 mit Sonderglasleisten
Profil 23-0045S mit verz. Glasleisten
Profil 23-0045 mit verz. Glasleisten und Bleiauskleidung
Profil 2371-0045 mit verz. Glasleisten
Profil 2371-0045 mit Sonderglasleisten
Profil 23-1645 mit verz. Glasleisten
Profil 23-1645 mit Sonderglasleisten
Profil 2373 mit verz. Glasleisten
Profil 2373 mit Sonderglasleisten
Profil 24-0045 S mit verz. Glasleisten
Profil 30-0045 mit verz. Glasleisten
Profil 30-0045 mit Sonderglasleisten
Profil 3071-0045 mit verz. Glasleisten
Profil 3071-0045 mit Sonderglasleisten
Profil 3040-1645 mit verz. Glasleisten
Profil 3040-1645 mit Sonderglasleisten
Profil 2140-1645 mit verz. Glasleisten
Profil 2140-1645 mit Sonderglasleisten
Profil 2140-0045S mit verz. Glasleisten
Profil 2173-1645 mit verz. Glasleisten
Profil 214073 mit Sonderglasleisten
Profil 2171-1630 mit verz. Glasleisten
Profil 50 Sonder mittige Verglasung
Anker- Befestigungssysteme
Brandschutzfenster
Anhang
Schwellen
Obentürschliesser
Schlossbereich
E-Oeffner - Fluchttüroeffner
Magnetkontakte
Riegelschaltkontakte
Kabelübergänge
Mehrfachverriegelungen
BSS - Sperrelemente - Türspaltsicherung
Kippfenster - Schiebefenster
Montagevideos
Mauerwerkszargen einteilig
Mauerwerkszargen zweiteilig
Ständerwerkszargen einteilig
Ständerwerkszargen zweiteilig
Bestellformulare
Startseite
Ständerwerk
Fenster
Profil 2371-0045 mit verz. Glasleisten
Norm-Profile
Eckzargen
Umfassungszargen
Schiebetürzargen
Mehrteilige Zargen
Oberlicht- Seitenteilzargen
Fenster
Profil 23-0045 mit verz. Glasleisten
Profil 23-0045 mit Sonderglasleisten
Profil 23-0045S mit verz. Glasleisten
Profil 23-0045 mit verz. Glasleisten und Bleiauskleidung
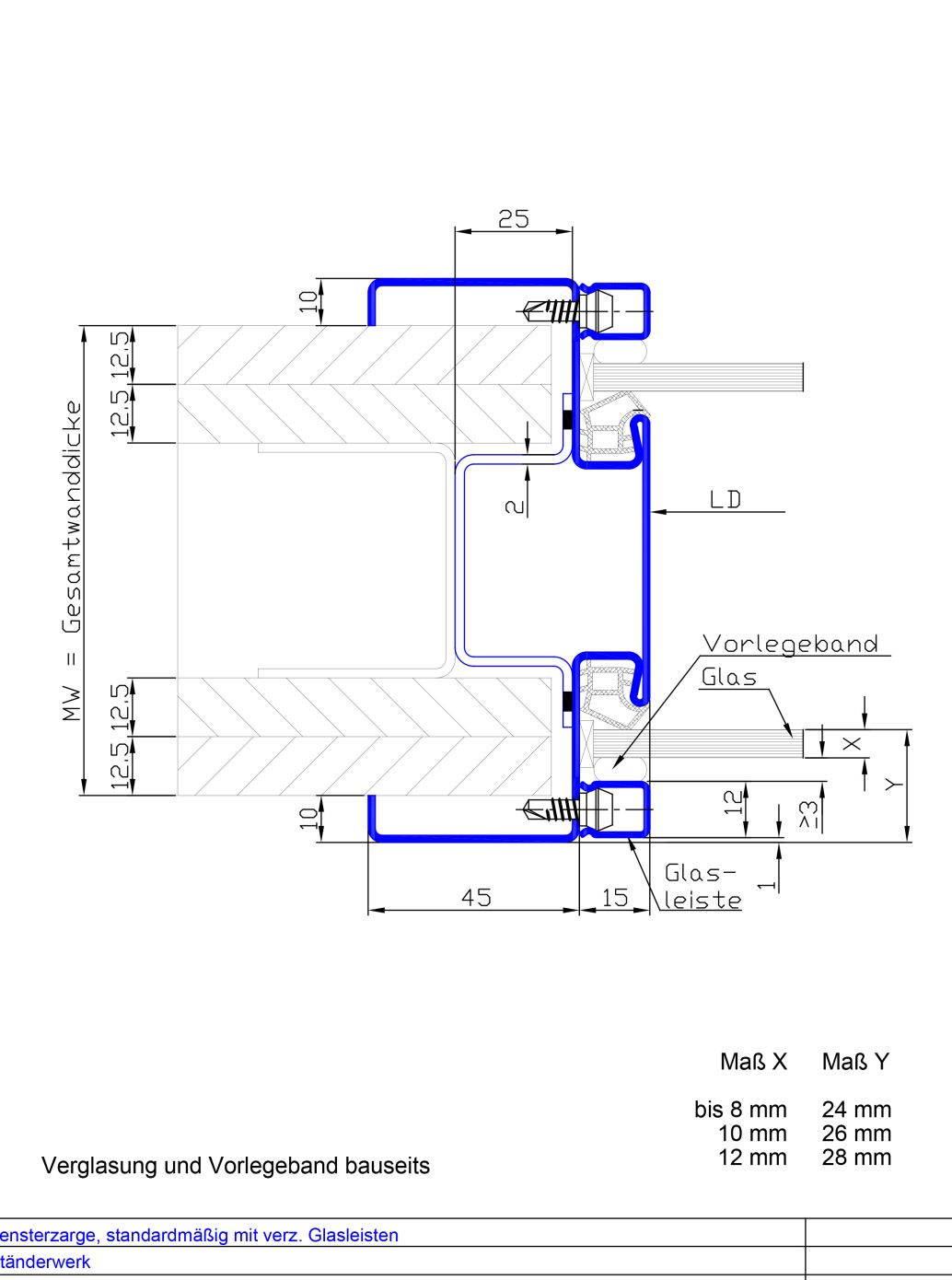
Profil 2371-0045 mit verz. Glasleisten
Profil 2371-0045 mit Sonderglasleisten
Profil 23-1645 mit verz. Glasleisten
Profil 23-1645 mit Sonderglasleisten
Profil 2373 mit verz. Glasleisten
Profil 2373 mit Sonderglasleisten
Profil 24-0045 S mit verz. Glasleisten
Profil 30-0045 mit verz. Glasleisten
Profil 30-0045 mit Sonderglasleisten
Profil 3071-0045 mit verz. Glasleisten
Profil 3071-0045 mit Sonderglasleisten
Profil 3040-1645 mit verz. Glasleisten
Profil 3040-1645 mit Sonderglasleisten
Profil 2140-1645 mit verz. Glasleisten
Profil 2140-1645 mit Sonderglasleisten
Profil 2140-0045S mit verz. Glasleisten
Profil 2173-1645 mit verz. Glasleisten
Profil 214073 mit Sonderglasleisten
Profil 2171-1630 mit verz. Glasleisten
Profil 50 Sonder mittige Verglasung
Anker- Befestigungssysteme
Brandschutzfenster
PDF Download
Copyright 2013-2024 Novoferm Vertriebs GmbH