Suchbegriff
Einleitung
Wir über uns
Allgemeine Grundlagen
Einbaurichtlinien + Montageanleitungen
Werkstoffe für Zargen
Beschichtungen
Dichtungen
Bandunterkonstruktionen
Mauerwerkszargen
Norm-Profile
Eckzargen
Umfassungszargen
Schiebtürzargen
Mehrteilige Zargen
Oberlicht- Seitenteilzargen
Fensterzargen
Anker- Befestigungssysteme
Brandschutzfenster
Ständerwerk
Norm-Profile
Eckzargen
Umfassungszargen
Schiebetürzargen
Mehrteilige Zargen
Oberlicht- Seitenteilzargen
Fenster
Anker- Befestigungssysteme
Brandschutzfenster
Anhang
Schwellen
Obentürschliesser
Schlossbereich
Edelstahlschliessblech gefaelzt
Edelstahlschliessblech ungefaelzt
Edelstahlschliessblech aufgeschraubt
Edelstahlschliessblech gefaelzt aufgeschraubt
Falleneinlaufschutz gefaelzt
Falleneinlaufschutz ungefaelzt
MSK gefaelzt mit integrierter Schliesslochverstaerkung
MSK ungefaelzt mit integrierter Schliesslochverstaerkung
Edelstahlschliessblech mit Fallenverstellung gefaelzt
Edelstahlschliessblech mit Fallenverstellung ungefaelzt
KFV FSS 116-200-20 HR-41
KFV SB 55503
zus. Riegelstanzung oben gefaelzt
zus. Riegelstanzung oben und unten gefaelzt
zus. Riegelstanzung unten gefaelzt
zus. Riegelstanzung oben ungefaelzt
zus. Riegelstanzung oben und unten ungefaelzt
zus. Riegelstanzung unten ungefaelzt
zus. Fallenstanzung oben gefaelzt
zus. Fallenstanzung oben und unten gefaelzt
zus. Fallenstanzung unten gefaelzt
zus. Fallenstanzung oben ungefaelzt
zus. Fallenstanzung oben und unten ungefaelzt
zus. Fallenstanzung unten ungefaelzt
E-Oeffner - Fluchttüroeffner
Magnetkontakte
Riegelschaltkontakte
Kabelübergänge
Mehrfachverriegelungen
BSS - Sperrelemente - Türspaltsicherung
Kippfenster - Schiebefenster
Montagevideos
Mauerwerkszargen einteilig
Mauerwerkszargen zweiteilig
Ständerwerkszargen einteilig
Ständerwerkszargen zweiteilig
Bestellformulare
Startseite
Anhang
Schlossbereich
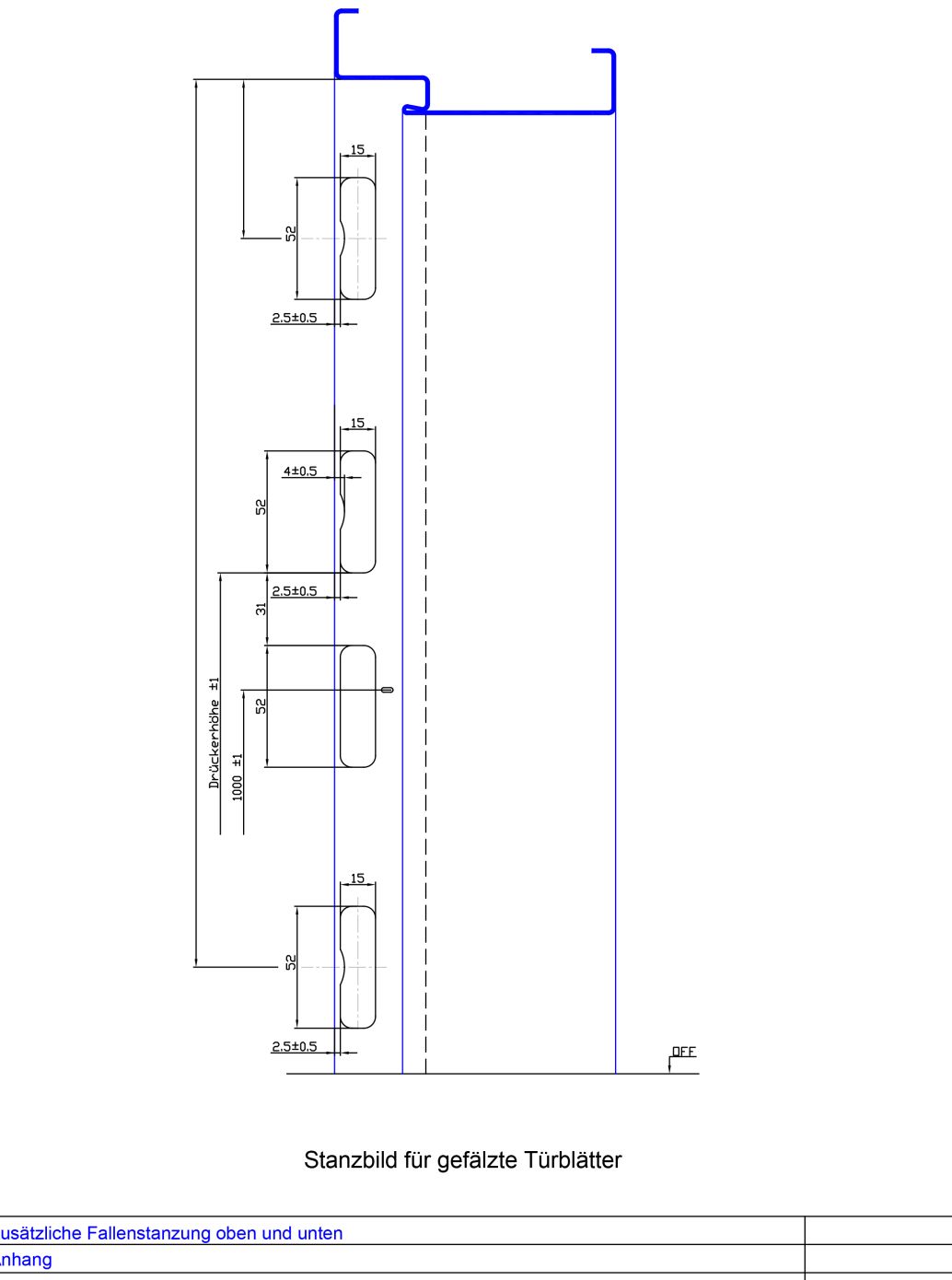
zus. Fallenstanzung oben und unten gefaelzt
Schwellen
Obentürschliesser
Schlossbereich
Edelstahlschliessblech gefaelzt
Edelstahlschliessblech ungefaelzt
Edelstahlschliessblech aufgeschraubt
Edelstahlschliessblech gefaelzt aufgeschraubt
Falleneinlaufschutz gefaelzt
Falleneinlaufschutz ungefaelzt
MSK gefaelzt mit integrierter Schliesslochverstaerkung
MSK ungefaelzt mit integrierter Schliesslochverstaerkung
Edelstahlschliessblech mit Fallenverstellung gefaelzt
Edelstahlschliessblech mit Fallenverstellung ungefaelzt
KFV FSS 116-200-20 HR-41
KFV SB 55503
zus. Riegelstanzung oben gefaelzt
zus. Riegelstanzung oben und unten gefaelzt
zus. Riegelstanzung unten gefaelzt
zus. Riegelstanzung oben ungefaelzt
zus. Riegelstanzung oben und unten ungefaelzt
zus. Riegelstanzung unten ungefaelzt
zus. Fallenstanzung oben gefaelzt
zus. Fallenstanzung oben und unten gefaelzt
zus. Fallenstanzung unten gefaelzt
zus. Fallenstanzung oben ungefaelzt
zus. Fallenstanzung oben und unten ungefaelzt
zus. Fallenstanzung unten ungefaelzt
E-Oeffner - Fluchttüroeffner
Magnetkontakte
Riegelschaltkontakte
Kabelübergänge
Mehrfachverriegelungen
BSS - Sperrelemente - Türspaltsicherung
Kippfenster - Schiebefenster
PDF Download
Copyright 2013-2024 Novoferm Vertriebs GmbH