Suchbegriff
Einleitung
Wir über uns
Allgemeine Grundlagen
Einbaurichtlinien + Montageanleitungen
Werkstoffe für Zargen
Beschichtungen
Dichtungen
Bandunterkonstruktionen
Mauerwerkszargen
Norm-Profile
Eckzargen
Umfassungszargen
Schiebtürzargen
Mehrteilige Zargen
Oberlicht- Seitenteilzargen
Fensterzargen
Anker- Befestigungssysteme
Brandschutzfenster
Ständerwerk
Norm-Profile
Eckzargen
Umfassungszargen
Schiebetürzargen
Mehrteilige Zargen
Oberlicht- Seitenteilzargen
Fenster
Anker- Befestigungssysteme
Brandschutzfenster
Anhang
Schwellen
Obentürschliesser
Schlossbereich
E-Oeffner - Fluchttüroeffner
Magnetkontakte
Riegelschaltkontakte
Kabelübergänge
Dorma
KUe 260
02
Vorrichtung nach Kundenvorgabe
Vorrichtung nach Kundenvorgabe
effeff
Typ 10312-10
Typ 10314-20-20-00
Typ 10314-20--00
Link
M 1190
M 1188
GEZE
KU 152237
Mehrfachverriegelungen
BSS - Sperrelemente - Türspaltsicherung
Kippfenster - Schiebefenster
Montagevideos
Mauerwerkszargen einteilig
Mauerwerkszargen zweiteilig
Ständerwerkszargen einteilig
Ständerwerkszargen zweiteilig
Bestellformulare
Startseite
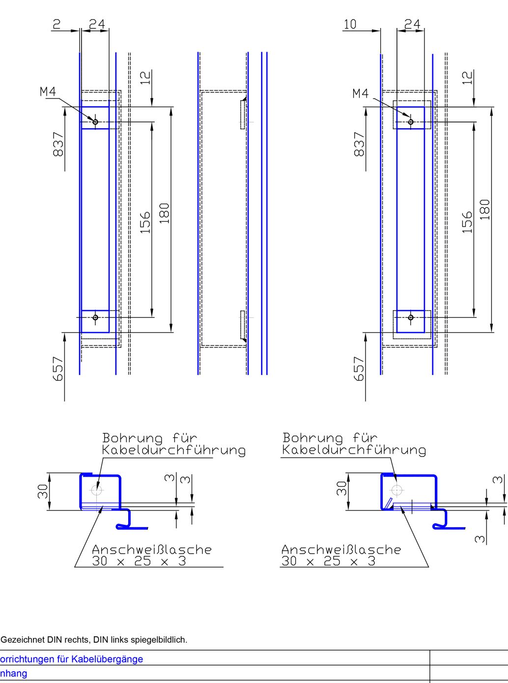
Anhang
Kabelübergänge
effeff
Typ 10314-20--00
Schwellen
Obentürschliesser
Schlossbereich
E-Oeffner - Fluchttüroeffner
Magnetkontakte
Riegelschaltkontakte
Kabelübergänge
Dorma
02
effeff
Typ 10312-10
Typ 10314-20-20-00
Typ 10314-20--00
Link
GEZE
Mehrfachverriegelungen
BSS - Sperrelemente - Türspaltsicherung
Kippfenster - Schiebefenster
PDF Download
Copyright 2013-2024 Novoferm Vertriebs GmbH