Suchbegriff
Einleitung
Wir über uns
Allgemeine Grundlagen
Einbaurichtlinien + Montageanleitungen
Werkstoffe für Zargen
Beschichtungen
Dichtungen
Bandunterkonstruktionen
Mauerwerkszargen
Norm-Profile
Eckzargen
Umfassungszargen
Schiebtürzargen
Mehrteilige Zargen
Oberlicht- Seitenteilzargen
Fensterzargen
Anker- Befestigungssysteme
Brandschutzfenster
Ständerwerk
Norm-Profile
Eckzargen
Umfassungszargen
Schiebetürzargen
Mehrteilige Zargen
Oberlicht- Seitenteilzargen
Fenster
Anker- Befestigungssysteme
Brandschutzfenster
Anhang
Schwellen
Obentürschliesser
DORMA
TS 71
TS 72
TS 73V
TS 73 EMF
TS 83
TS 90
TS 90
TS 91
TS 92
TS 92 XEA B Bandseite
TS 93
TS 93 EMF
TS 93 EMR
TS 93 G-SR
TS 93 G-SR EMF
TS 93 G-SR EMR
TS 97
TS 99 FL
TS 99 FLR-K
TS 99 FLR-K
PORTEO
ITS 96
GEZE
TS 1000 C
TS 1500
TS 2000 NV
TS 2000 V
TS 2000 V mit Gleitschiene
TS 4000 Gr.1-6
TS 4000 Gr.5-7
TS 4000 E
TS 4000 R
TS 4000 EFS
TS 4000 RFS
TS 1500 G
TS 3000 V
TS 5000 RFS
TS 5000 ISM
TS 5000 R-ISM links
TS 5000 R-ISM rechts
TS 5000 E-ISM links
TS 5000 E-ISM rechts
TS 5000
TS 5000 E
TS 5000 R
TS 5000 EFS
Boxer
ECO
TS 14
TS 15
TS 20
TS 50
TS 15 K
TS 31 K
TS 31 B
TS 41 K
TS 41 B
TS 51
TS 61
Multi-Genius aufliegend
Multi-Genius
FTS 63 R
GU - BKS
TS 440 G
TS 440
EFFEFF
DC 700
DC 700G FMS
Novoferm
NF GS 50
Schlossbereich
E-Oeffner - Fluchttüroeffner
Magnetkontakte
Riegelschaltkontakte
Kabelübergänge
Mehrfachverriegelungen
BSS - Sperrelemente - Türspaltsicherung
Kippfenster - Schiebefenster
Montagevideos
Mauerwerkszargen einteilig
Mauerwerkszargen zweiteilig
Ständerwerkszargen einteilig
Ständerwerkszargen zweiteilig
Bestellformulare
Startseite
Anhang
Obentürschliesser
GEZE
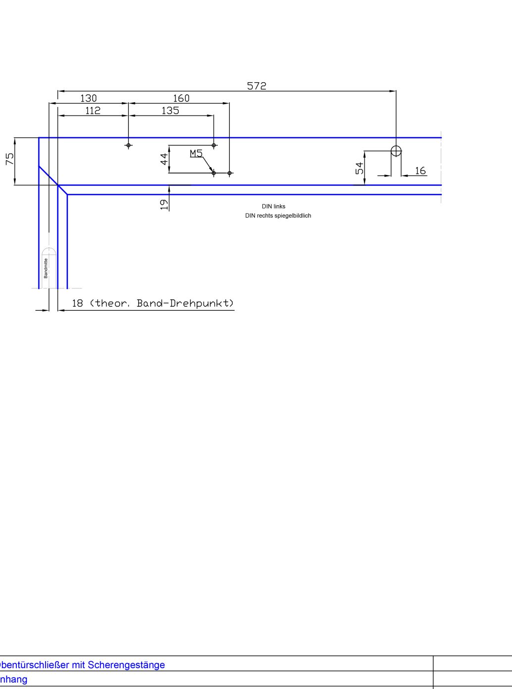
TS 4000 R
Schwellen
Obentürschliesser
DORMA
GEZE
TS 1000 C
TS 1500
TS 2000 NV
TS 2000 V
TS 2000 V mit Gleitschiene
TS 4000 Gr.1-6
TS 4000 Gr.5-7
TS 4000 E
TS 4000 R
TS 4000 EFS
TS 4000 RFS
TS 1500 G
TS 3000 V
TS 5000 RFS
TS 5000 ISM
TS 5000 R-ISM links
TS 5000 R-ISM rechts
TS 5000 E-ISM links
TS 5000 E-ISM rechts
TS 5000
TS 5000 E
TS 5000 R
TS 5000 EFS
Boxer
ECO
GU - BKS
EFFEFF
Novoferm
Schlossbereich
E-Oeffner - Fluchttüroeffner
Magnetkontakte
Riegelschaltkontakte
Kabelübergänge
Mehrfachverriegelungen
BSS - Sperrelemente - Türspaltsicherung
Kippfenster - Schiebefenster
PDF Download
Copyright 2013-2024 Novoferm Vertriebs GmbH